产品类别:滤油机系列
产品描述:LYC-A系列便移式滤油机(轻便(biàn)式滤油车)适用于各种石油(yóu)基矿物油,设计(jì)简洁,实用,移动(dòng)方便,维护简单。可方便地对各种液压润滑系统进行加油过滤,油液净化,也可并联在系统中作(zuò)为(wéi)旁滤过滤。
咨询热线:15090380199
产品描述(shù)
LYC-A系列便移式滤油机(jī)(轻便式滤油车)适用于各种(zhǒng)石油基矿物油,设计简洁,实(shí)用,移(yí)动(dòng)方便,维护简单(dān)。可方便(biàn)地对各(gè)种液压润滑系统进行加油过滤,油液净化,也可并联在系统中作为旁滤过滤。
LYC-A系列便移式滤油机应(yīng)用范围
●液压润滑系统加油时的过滤
●液压润滑(huá)系统工作时的(de)旁路(lù)过滤
●液压润滑系统投入运行(háng)前的循环过滤
●液压润滑系统的油(yóu)不经设备(bèi)本身的泵过滤泵出
LYC-A系列便移式滤油机(jī)的特点
1.本滤油机包括(kuò)一(yī)个由电机驱动的专用齿轮泵,具有噪音低、自吸能力强,运转平稳等特点。
2.高压管路设有溢流保护(hù)装置,可有效保护液压系统的安全。
3.采用热继电器保(bǎo)护,防止电机过载所造成的电机损坏。
4.吸油口粗过滤器保护油泵并延长主过滤器的使用寿命。
5.精过滤器可根据用户的不同需要,选择不同的精度,达到所需要的结果。
6.滤油器壳体采用快(kuài)开结构,不需要特殊工(gōng)具便能迅速(sù)快捷地打开上盖(gài),更换滤芯。
7.面板上装有压力表,在工作时(shí)连续指(zhǐ)示出(chū)系统的运行状况和滤芯的污染程度。
结构特征

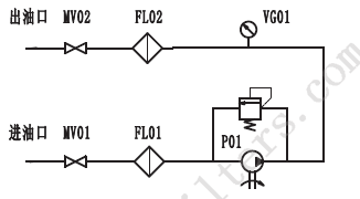
系统原理图

设备选型

产品描述不尽完整,详(xiáng)细资(zī)料或定制请电话咨询15090380199
因技术而生 铸(zhù)质量而(ér)成









